This product has been discontinued and removed from our shelves.
MG1623 mortise lever locks are designed without keys. Doors are locked from the inside and unlocked from the outside using coins. The lock body shells are made using galvanized steel plates and latch bolts are made of POM and zinc alloy, ensuring an excellent muting effect. Levers are made of aluminum alloy and surface treated through electroplating and painting, ensuring a better color adhesion, no paint loss, better corrosion resistance, and a higher durability. Lock colors are customizable.
Color
Nickel plated
Chrome plated
Golden
Matte black
Customized color
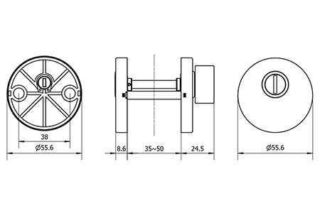
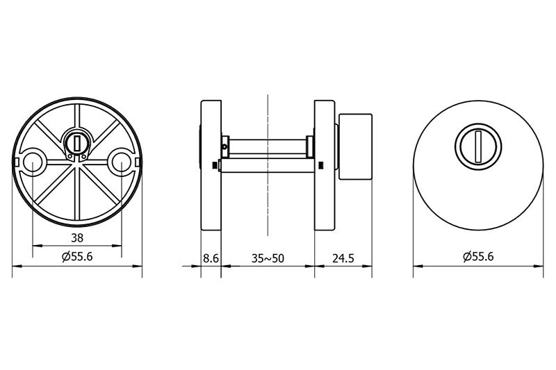
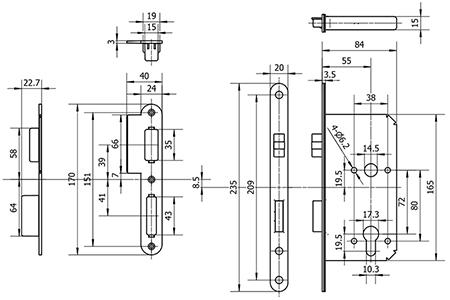
Dimensions
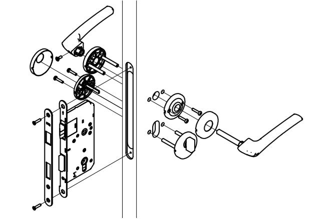
Parts List
No.
Name
No.
Name
1
lock body
8
Inner Lever Handle
2
Front plate
9
Lever fixing screw
3
Latch Bolt
10
Plate fixing screw
4
Dead Bolt
11
Outer thumb turn panel
5
Outer escutcheon plate
12
Inner thumb turn panel
6
Inner escutcheon plate
13
striking plate
7
Outer Lever Handle
14
Wrought box
Installation Instructions
Determine the door opening direction. Place the lock body into the set hole, ensuring the latch bolt is on the upper side, and the dead bolt on the lower side. Ensure the latch bolt’s inclined surface is facing the door closing direction. If it isn’t, pull the dead bolt out of the lock body, insert 180°, then insert it back into the lock body. Install the front armor and tighten the screws.
Install escutcheon plates and tighten screws. Connect the outer lever equipped with a square bar through the lock body’s square hole using the Inner Lever Handle, then tighten the screws.
Install the cylinder thumb turn plates and tighten screws. Send the lock cylinder from the hole on the inside plate through the lock body and outer plate, then attach the cylinder to the front armor with cylindrical screws.
Install the striking plate on the door frame’s corresponding position. After determining the door opening direction, install the wrought iron striking plate. Ensure the latch both and dead bolt move freely in and out. Notice: 8.5mm center line deviation on striking plate and lock body.
Test after installation: Rotate the lever handles and press the latch bolt by hand in the inclined surface direction. The latch bolt should freely turn over and smoothly be pressed into and removed from the lock body. When pressing the latch bolt without the rotating lever handle, the latch bolt will not turn over. If the latch bolt operates smoothly, installation is complete. If not, reset all components.
Yantai Mougao Smarthome Co. is an enterprise with strong die casting and hardware production expertise applying it in the production of high-quality locksets and hardware accessories for customers. Our products include highly secure push pull mortise locks, mortise lever locks, furniture pull handles and door hinges, and they are widely used in homes, hotels, office buildings, medical institutions, and other applications.