- Home
- Products
- Push Pull Mortise Lock
- MG38 Series Push Pull Mortise Lock
- MG3814 Push Pull Mortise Lock
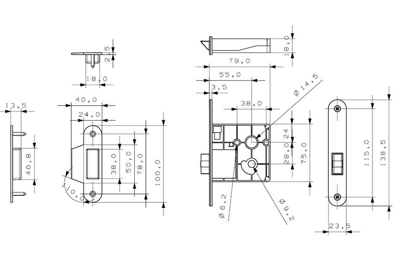
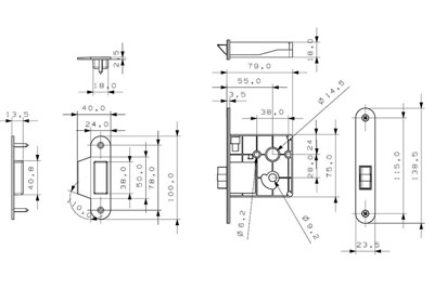
This model of push-pull mortise lock is designed with a brass cylinder and key. It is suitable for places with security requirements. The lock body shell is made of POM and the handle is made of aluminum alloy to ensure the firmness of the lock. Compared with other models of push-pull locks, this model has a higher strength and a better security. The bolt is made of plastic POM and zinc alloy to reduce noise and ensure a better mute effect. The surface treatment adopts Japanese advanced technology. Various tests are carried out in accordance with Japanese JIS standards to ensure the durability of the lock both from the appearance and structure.




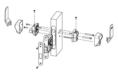
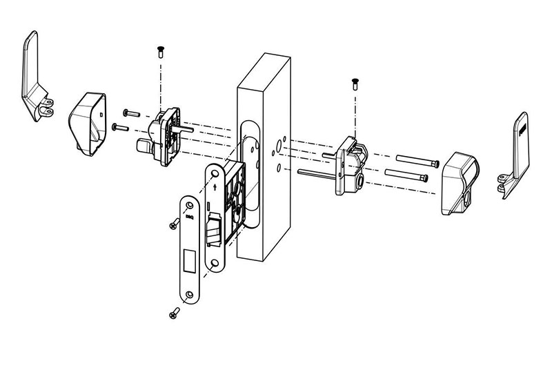
| No | Name | No | Name |
| 1 | Inner Lever Handle | 7 | Connecting Screw Bolt |
| 2 | Inner Panel | 8 | Outer Lever Handle |
| 3 | Screw for Lever Handle | 9 | Outer Panel |
| 4 | Inner Panel Holder | 10 | Plate for Lock Body |
| 5 | Lock Body | 11 | Striking Box |
| 6 | Outer Panel Holder |