- Home
- Products
- Push Pull Mortise Lock
- MG28 Series Push Pull Mortise Lock
- MG2811 Push Pull Mortise Lock
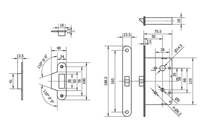
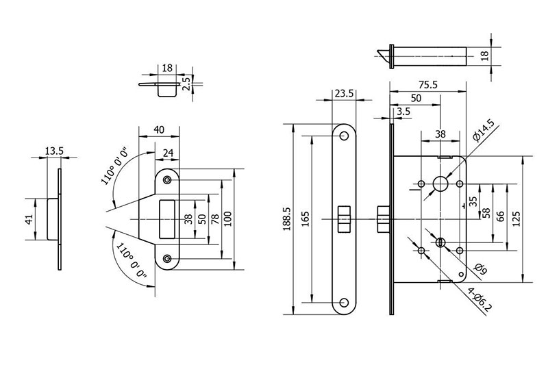
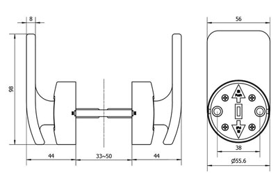
This type of push-pull mortise lock is designed without locking. It is used on doors where locking is prohibited or not required. The shell material of the lock body is POM and the bolt is made of plastic POM and zinc alloy to ensure the safety and less noise. The surface treatment adopts Japanese advanced technology. Various tests are carried out in accordance with Japanese JIS standards to ensure the durability of the lock both from the appearance and structure.




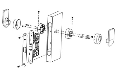
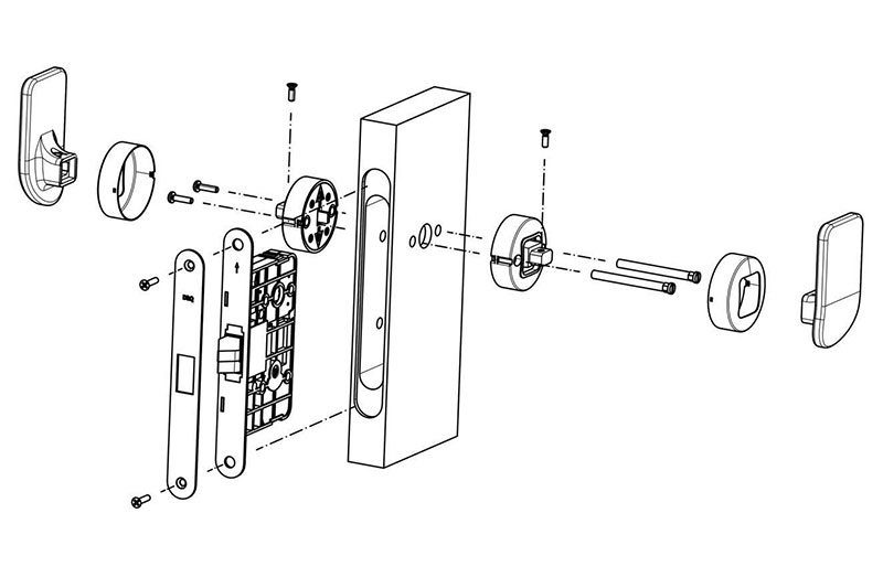
| No | Name | No | Name |
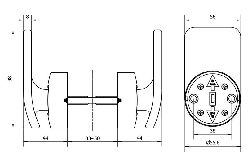
| 1 | Inner Lever Handle | 7 | Outer Panel for Lever Handle |
| 2 | Inner Panel for Lever Handle | 8 | Outer Lever Handle |
| 3 | Screw for Lever Handle | 9 | Connecting Screw Bolt |
| 4 | Inner Holder for Lever Handle | 10 | Plate for Lock Body |
| 5 | Lock Body | 11 | Screw for Lock Body |
| 6 | Outer Holder for Lever Handle | 12 | Striking Box |