- Home
- Products
- Mortise Lever Lock/Door Handle Lock
- MPN16 Series Door Lever Lock
- MPN1614 Door Lever Lock
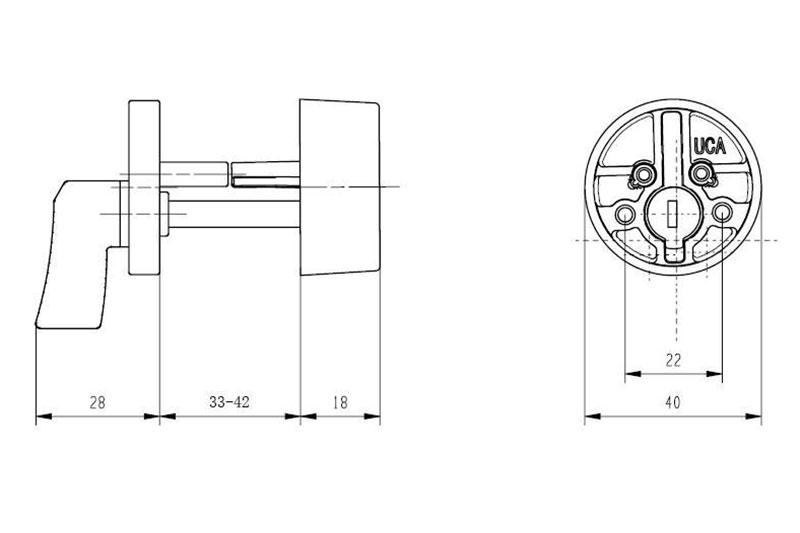
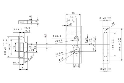
This model of mortise lever lock is designed with a brass cylinder and key. It is suitable for places with security requirements. The lock body shell is made of POM and the handle is made of aluminum alloy to ensure the firmness of the lock. Compared with other models of locks, this model has a higher strength and a better security. The bolt is made of plastic POM and stainless steel to reduce noise and ensure a better mute effect. The surface treatment adopts Japanese advanced technology. Various tests are carried out in accordance with Japanese JIS standards to ensure the durability of the lock both from the appearance and structure.




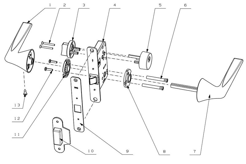
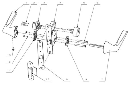
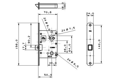
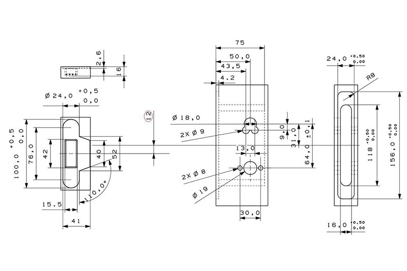
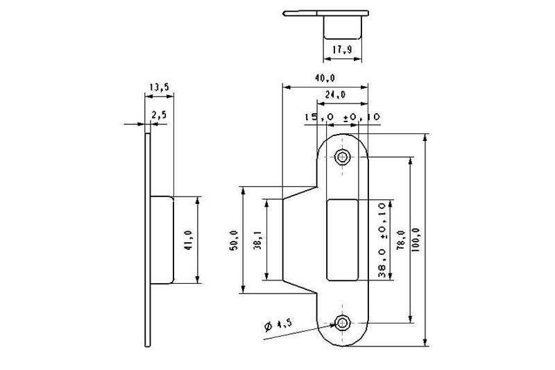
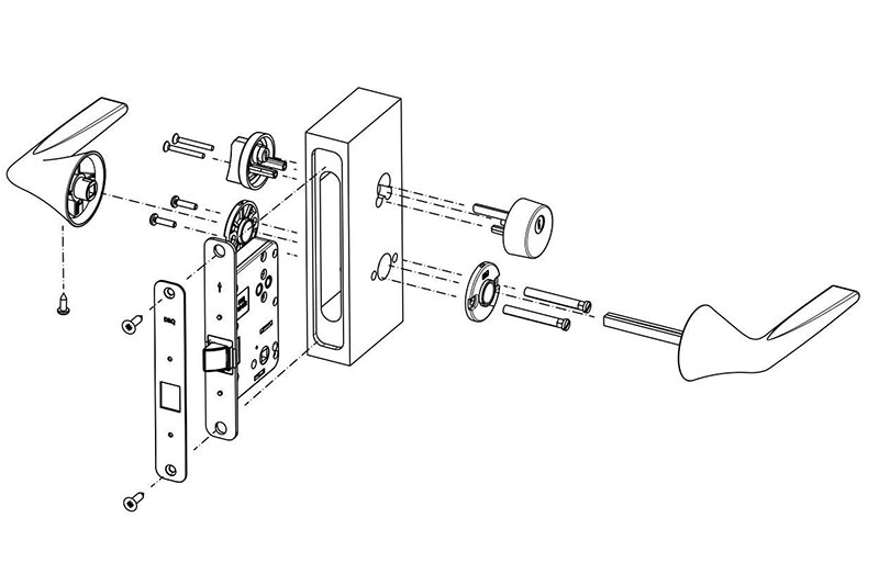
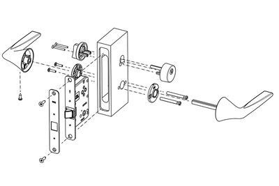
| No | Name | No | Name |
| 1 | Inner Lever Handle | 8 | Outer Holder for Lever Handle |
| 2 | Screw for Knob | 9 | Plate for Lock Body |
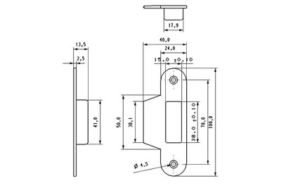
| 3 | Inner Knob | 10 | Striking Box |
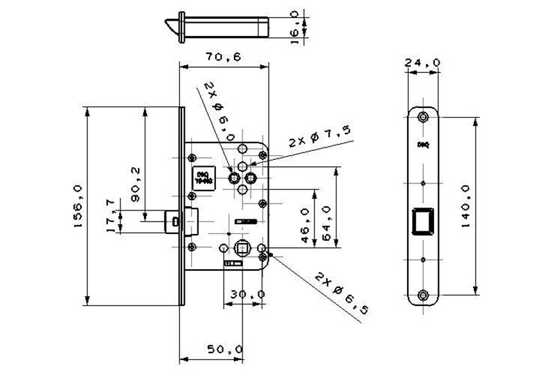
| 4 | Lock Body | 11 | Inner Holder for Lever Handle |
| 5 | Outer Cylinder Panel | 12 | Screw |
| 6 | Connecting Screw Bolt | 13 | Fastening Screw |
| 7 | Outer Lever Handle |