- Home
- Products
- Mortise Lever Lock/Door Handle Lock
- MPD16 Series Mortise Lever Lock
- MPD1611 Mortise Lever Lock
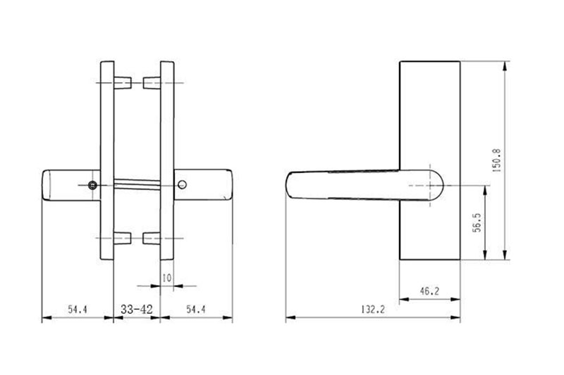
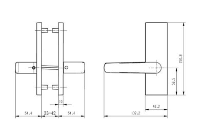
This type of mortise lever handle lock is designed without locking. It is used on doors where locking is prohibited or not required. The shell material of the lock body is POM and the bolt is made of plastic POM and stainless steel to ensure the safety and less noise. The appearance is stylish and uses a sleek design. The surface treatment adopts Japanese advanced technology. Various tests are carried out in accordance with Japanese JIS standards to ensure the durability of the lock both from the appearance and structure




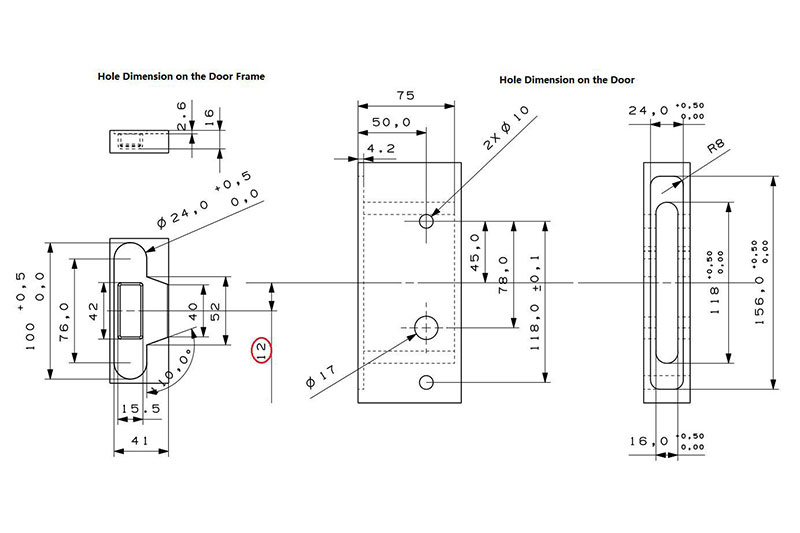
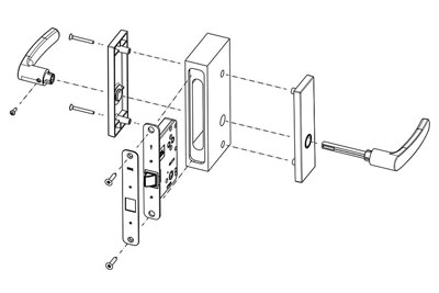
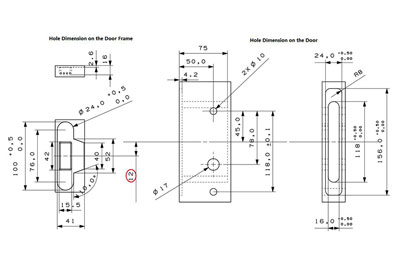
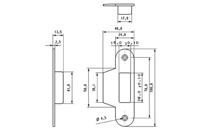
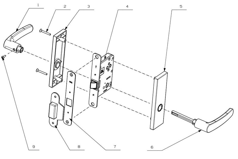
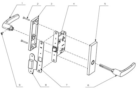
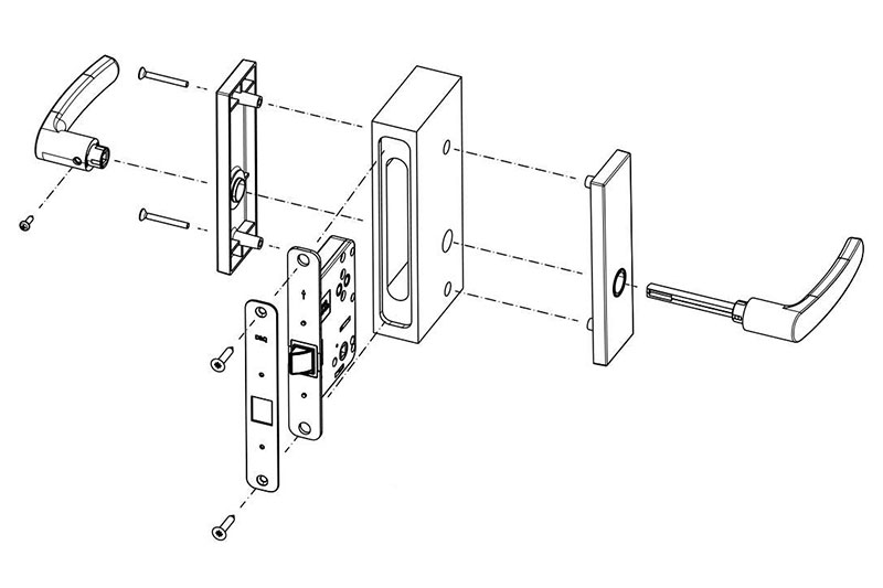
| No | Name | No | Name |
| 1 | Inner Lever Handle | 6 | Outer Lever Handle |
| 2 | Screw | 7 | Plate for Lock Body |
| 3 | Inner Panel for Lever Handle | 8 | Striking Box |
| 4 | Lock Body | 9 | Fastening Screw |
| 5 | Outer Panel for Lever Handle |