- Home
- Products
- Mortise Lever Lock/Door Handle Lock
- MPD16 Series Mortise Lever Lock
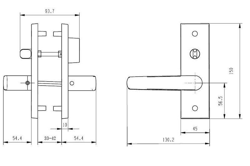
- MPD1614 Mortise Lever Lock
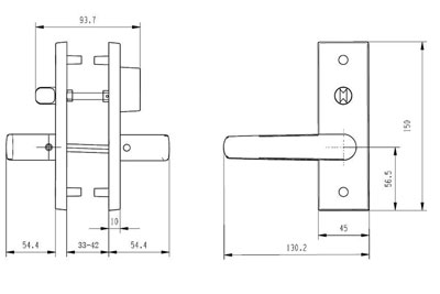
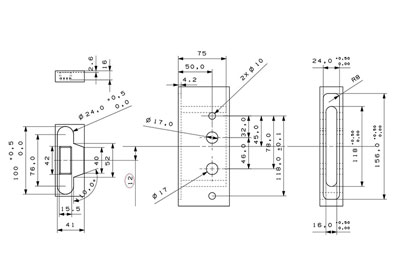
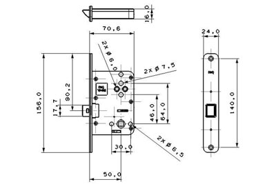
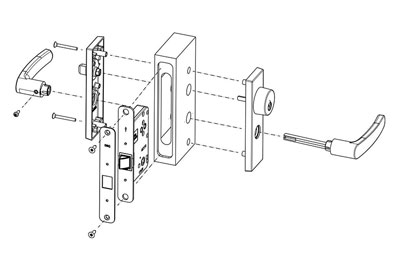
This model of mortise lever lock is designed with a brass cylinder and key. It is suitable for places with security requirements. The lock body shell is made of POM and the handle is made of aluminum alloy to ensure the firmness of the lock. Compared with other models of locks, this model has a higher strength and a better security. The bolt is made of plastic POM and stainless steel to reduce noise and ensure a better mute effect. The surface treatment adopts Japanese advanced technology. Various tests are carried out in accordance with Japanese JIS standards to ensure the durability of the lock both from the appearance and structure.




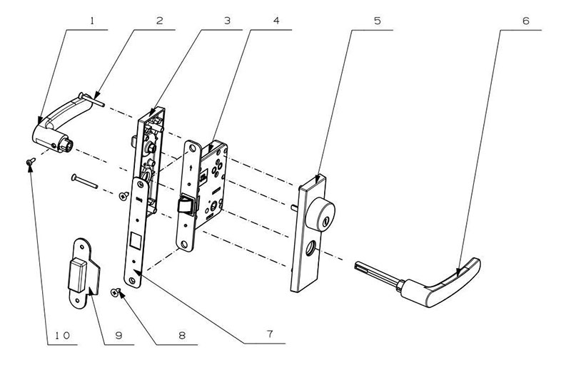
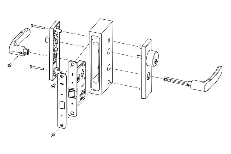
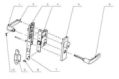
| No | Name | No | Name |
| 1 | Inner Lever Handle | 6 | Outer Lever Handle |
| 2 | Screw | 7 | Plate for Lock Body |
| 3 | Inner Panel for Lever Handle | 8 | Screw for Lock Body |
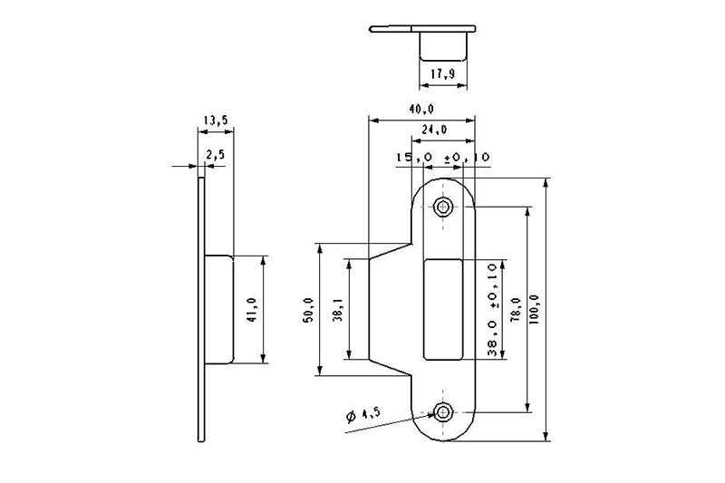
| 4 | Lock Body | 9 | Striking Box |
| 5 | Outer Panel for Lever Handle | 10 | Fastening Screw |