- Home
- Products
- Mortise Lever Lock/Door Handle Lock
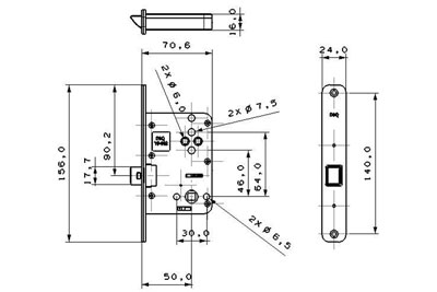
- MPD16 Series Mortise Lever Lock
- MPD1612 Mortise Lever Lock
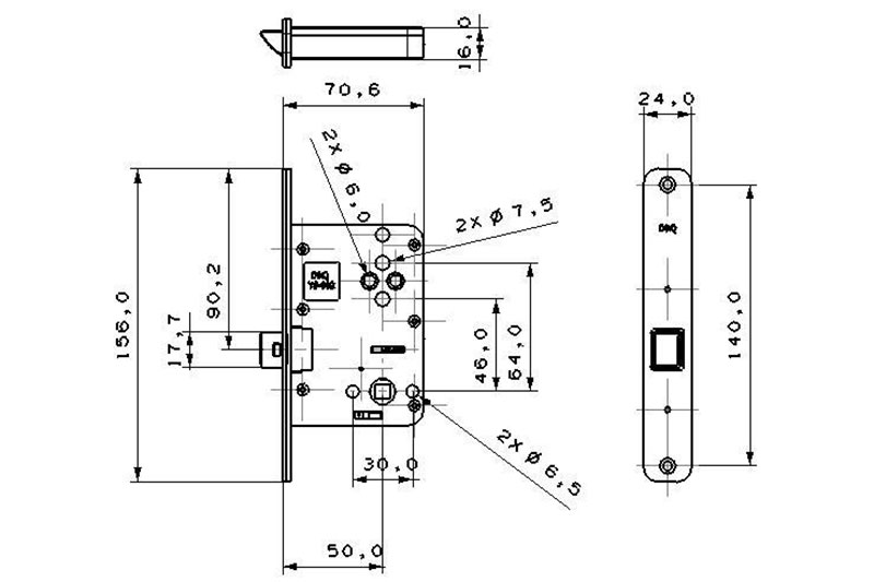
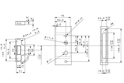
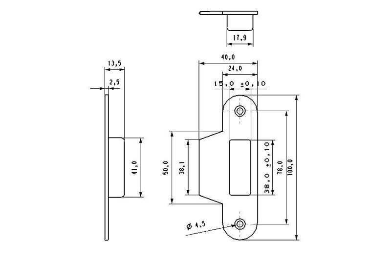
This type of mortise lever handle lock adopts a key less locking design. It could be locked with a knob from inside and unlocked with a coin from outside. Locking status could be displayed on the outer panel. When there is a state of emergency and the door is locked, it could be quickly unlocked from outside. The lock body shell is made of POM and the handle is made of aluminum alloy to ensure the firmness of the lock. The bolt is made of plastic POM and stainless steel which reduces the noise and achieves a better mute effect. The surface treatment adopts Japanese advanced technology. Various tests are carried out in accordance with Japanese JIS standards to ensure the durability of the lock both from the appearance and structure.




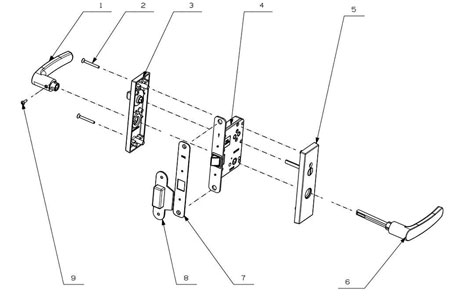
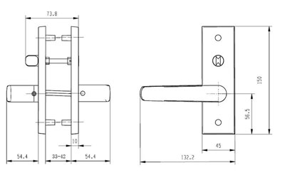
| No | Name | No | Name |
| 1 | Inner Lever Handle | 6 | Outer Lever Handle |
| 2 | Screw | 7 | Plate for Lock Body |
| 3 | Inner Panel for Lever Handle | 8 | Striking Box |
| 4 | Lock Body | 9 | Fastening Screw |
| 5 | Outer Panel for Lever Handle |